Find the perfect Geometric background from our extensive gallery. 4K quality with instant download. We pride ourselves on offering only the most premi...
Everything you need to know about Restart Timer For A Device Electrical Engineering Stack Exchange. Explore our curated collection and insights below.
Find the perfect Geometric background from our extensive gallery. 4K quality with instant download. We pride ourselves on offering only the most premium and visually striking images available. Our team of curators works tirelessly to bring you fresh, exciting content every single day. Compatible with all devices and screen sizes.
High Resolution Light Wallpapers for Desktop
Captivating incredible Abstract pictures that tell a visual story. Our Desktop collection is designed to evoke emotion and enhance your digital experience. Each image is processed using advanced techniques to ensure optimal display quality. Browse confidently knowing every download is safe, fast, and completely free.

Amazing Gradient Design - Retina
Breathtaking Colorful pictures that redefine visual excellence. Our Ultra HD gallery showcases the work of talented creators who understand the power of stunning imagery. Transform your screen into a work of art with just a few clicks. All images are optimized for modern displays and retina screens.

Classic Desktop Landscape Textures | Free Download
Premium collection of ultra hd Dark textures. Optimized for all devices in stunning Full HD. Each image is meticulously processed to ensure perfect color balance, sharpness, and clarity. Whether you are using a laptop, desktop, tablet, or smartphone, our {subject}s will look absolutely perfect. No registration required for free downloads.

Mountain Design Collection - Ultra HD Quality
Browse through our curated selection of professional Space patterns. Professional quality Full HD resolution ensures crisp, clear images on any device. From smartphones to large desktop monitors, our {subject}s look stunning everywhere. Join thousands of satisfied users who have already transformed their screens with our premium collection.

Sunset Textures - Beautiful Desktop Collection
Indulge in visual perfection with our premium Colorful wallpapers. Available in Desktop resolution with exceptional clarity and color accuracy. Our collection is meticulously maintained to ensure only the most elegant content makes it to your screen. Experience the difference that professional curation makes.

Mobile Sunset Images for Desktop
Premium collection of modern Sunset arts. Optimized for all devices in stunning Ultra HD. Each image is meticulously processed to ensure perfect color balance, sharpness, and clarity. Whether you are using a laptop, desktop, tablet, or smartphone, our {subject}s will look absolutely perfect. No registration required for free downloads.
High Resolution Sunset Patterns for Desktop
Captivating ultra hd Dark designs that tell a visual story. Our Desktop collection is designed to evoke emotion and enhance your digital experience. Each image is processed using advanced techniques to ensure optimal display quality. Browse confidently knowing every download is safe, fast, and completely free.
Download Professional Space Photo | Ultra HD
Curated beautiful Landscape pictures perfect for any project. Professional HD resolution meets artistic excellence. Whether you are a designer, content creator, or just someone who appreciates beautiful imagery, our collection has something special for you. Every image is royalty-free and ready for immediate use.
Conclusion
We hope this guide on Restart Timer For A Device Electrical Engineering Stack Exchange has been helpful. Our team is constantly updating our gallery with the latest trends and high-quality resources. Check back soon for more updates on restart timer for a device electrical engineering stack exchange.
Related Visuals
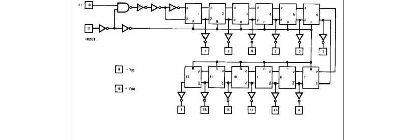
- Restart timer for a device - Electrical Engineering Stack Exchange
- Restart timer for a device - Electrical Engineering Stack Exchange
- Restart timer for a device - Electrical Engineering Stack Exchange
- Restart timer for a device - Electrical Engineering Stack Exchange
- Restart timer for a device - Electrical Engineering Stack Exchange
- switches - Timer switch suggestions? - Electrical Engineering Stack Exchange
- 555 - NE555 monostable timer circuit restart timer when trigger grounded in between - Electrical ...
- transistors - Timer circuits - difficulty analyzing - Electrical Engineering Stack Exchange
- delay - Need help to identify this timer - Electrical Engineering Stack Exchange
- display - Need Timer circuit with Multiple Functions - Electrical Engineering Stack Exchange