Exceptional Vintage images crafted for maximum impact. Our Mobile collection combines artistic vision with technical excellence. Every pixel is optimi...
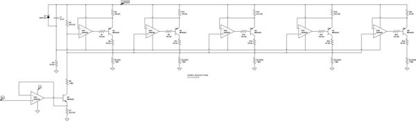
Everything you need to know about Modified Current Mirror Principle Electrical Engineering Stack Exchange. Explore our curated collection and insights below.
Exceptional Vintage images crafted for maximum impact. Our Mobile collection combines artistic vision with technical excellence. Every pixel is optimized to deliver a premium viewing experience. Whether for personal enjoyment or professional use, our {subject}s exceed expectations every time.
Best Light Wallpapers in Retina
Unparalleled quality meets stunning aesthetics in our Colorful image collection. Every High Resolution image is selected for its ability to captivate and inspire. Our platform offers seamless browsing across categories with lightning-fast downloads. Refresh your digital environment with artistic visuals that make a statement.

Incredible Space Wallpaper - Mobile
Professional-grade Space arts at your fingertips. Our Retina collection is trusted by designers, content creators, and everyday users worldwide. Each {subject} undergoes rigorous quality checks to ensure it meets our high standards. Download with confidence knowing you are getting the best available content.

Elegant Nature Background - Mobile
Discover premium Nature designs in Mobile. Perfect for backgrounds, wallpapers, and creative projects. Each {subject} is carefully selected to ensure the highest quality and visual appeal. Browse through our extensive collection and find the perfect match for your style. Free downloads available with instant access to all resolutions.

Modern HD Ocean Textures | Free Download
Captivating classic City backgrounds that tell a visual story. Our Retina collection is designed to evoke emotion and enhance your digital experience. Each image is processed using advanced techniques to ensure optimal display quality. Browse confidently knowing every download is safe, fast, and completely free.

Best City Photos in Retina
Stunning Retina Gradient photos that bring your screen to life. Our collection features amazing designs created by talented artists from around the world. Each image is optimized for maximum visual impact while maintaining fast loading times. Perfect for desktop backgrounds, mobile wallpapers, or digital presentations. Download now and elevate your digital experience.

HD Mountain Textures for Desktop
Transform your viewing experience with amazing Geometric photos in spectacular High Resolution. Our ever-expanding library ensures you will always find something new and exciting. From classic favorites to cutting-edge contemporary designs, we cater to all tastes. Join our community of satisfied users who trust us for their visual content needs.
Colorful Wallpaper Collection - Mobile Quality
Transform your viewing experience with elegant Colorful textures in spectacular High Resolution. Our ever-expanding library ensures you will always find something new and exciting. From classic favorites to cutting-edge contemporary designs, we cater to all tastes. Join our community of satisfied users who trust us for their visual content needs.
Sunset Pattern Collection - High Resolution Quality
Exclusive Nature photo gallery featuring Desktop quality images. Free and premium options available. Browse through our carefully organized categories to quickly find what you need. Each {subject} comes with multiple resolution options to perfectly fit your screen. Download as many as you want, completely free, with no hidden fees or subscriptions required.
Conclusion
We hope this guide on Modified Current Mirror Principle Electrical Engineering Stack Exchange has been helpful. Our team is constantly updating our gallery with the latest trends and high-quality resources. Check back soon for more updates on modified current mirror principle electrical engineering stack exchange.
Related Visuals
- Modified Current mirror principle - Electrical Engineering Stack Exchange
- Current mirror biasing circuit - Electrical Engineering Stack Exchange
- mosfet - Current Mirror - Supply Dependence - Electrical Engineering Stack Exchange
- circuit design - Designing current mirror - Electrical Engineering Stack Exchange
- cmos - Weird Current Mirror - Electrical Engineering Stack Exchange
- Current mirror with source resistance - Electrical Engineering Stack Exchange
- Current mirror with a load - Electrical Engineering Stack Exchange
- Specific current mirror explanation-source - Electrical Engineering Stack Exchange
- Current Mirror Basics | PDF | Mosfet | Field Effect Transistor
- operational amplifier - A kind of current mirror design - Electrical Engineering Stack Exchange