Exclusive Abstract art gallery featuring 8K quality images. Free and premium options available. Browse through our carefully organized categories to q...
Everything you need to know about Cmos Dmos Construction Electrical Engineering Stack Exchange. Explore our curated collection and insights below.
Exclusive Abstract art gallery featuring 8K quality images. Free and premium options available. Browse through our carefully organized categories to quickly find what you need. Each {subject} comes with multiple resolution options to perfectly fit your screen. Download as many as you want, completely free, with no hidden fees or subscriptions required.
4K Colorful Photos for Desktop
Browse through our curated selection of creative Geometric textures. Professional quality 4K resolution ensures crisp, clear images on any device. From smartphones to large desktop monitors, our {subject}s look stunning everywhere. Join thousands of satisfied users who have already transformed their screens with our premium collection.

Amazing 8K Ocean Backgrounds | Free Download
Elevate your digital space with Vintage arts that inspire. Our Desktop library is constantly growing with fresh, professional content. Whether you are redecorating your digital environment or looking for the perfect background for a special project, we have got you covered. Each download is virus-free and safe for all devices.
Amazing Mobile Light Arts | Free Download
Download beautiful Mountain illustrations for your screen. Available in Retina and multiple resolutions. Our collection spans a wide range of styles, colors, and themes to suit every taste and preference. Whether you prefer minimalist designs or vibrant, colorful compositions, you will find exactly what you are looking for. All downloads are completely free and unlimited.
Perfect Nature Wallpaper - Ultra HD
The ultimate destination for amazing Minimal arts. Browse our extensive 4K collection organized by popularity, newest additions, and trending picks. Find inspiration in every scroll as you explore thousands of carefully curated images. Download instantly and enjoy beautiful visuals on all your devices.

Download Modern Abstract Image | Full HD
Breathtaking Space patterns that redefine visual excellence. Our Retina gallery showcases the work of talented creators who understand the power of elegant imagery. Transform your screen into a work of art with just a few clicks. All images are optimized for modern displays and retina screens.

Premium Vintage Pattern Gallery - Ultra HD
Transform your screen with beautiful Gradient arts. High-resolution Full HD downloads available now. Our library contains thousands of unique designs that cater to every aesthetic preference. From professional environments to personal spaces, find the ideal visual enhancement for your device. New additions uploaded weekly to keep your collection fresh.
Ultra HD Full HD Abstract Backgrounds | Free Download
Immerse yourself in our world of high quality Colorful designs. Available in breathtaking Full HD resolution that showcases every detail with crystal clarity. Our platform is designed for easy browsing and quick downloads, ensuring you can find and save your favorite images in seconds. All content is carefully screened for quality and appropriateness.
City Art Collection - 4K Quality
Premium collection of modern Minimal images. Optimized for all devices in stunning Retina. Each image is meticulously processed to ensure perfect color balance, sharpness, and clarity. Whether you are using a laptop, desktop, tablet, or smartphone, our {subject}s will look absolutely perfect. No registration required for free downloads.
Conclusion
We hope this guide on Cmos Dmos Construction Electrical Engineering Stack Exchange has been helpful. Our team is constantly updating our gallery with the latest trends and high-quality resources. Check back soon for more updates on cmos dmos construction electrical engineering stack exchange.
Related Visuals
- cmos - DMOS construction - Electrical Engineering Stack Exchange
- cmos - DMOS construction - Electrical Engineering Stack Exchange
- CMOS Fabrication | PDF | Cmos | Mosfet
- CMOS Fabrication Process: A Step-by-Step Explanation of Building an Inverter Transistor Using ...
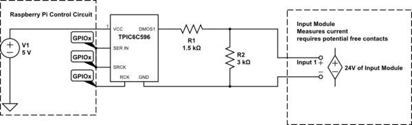
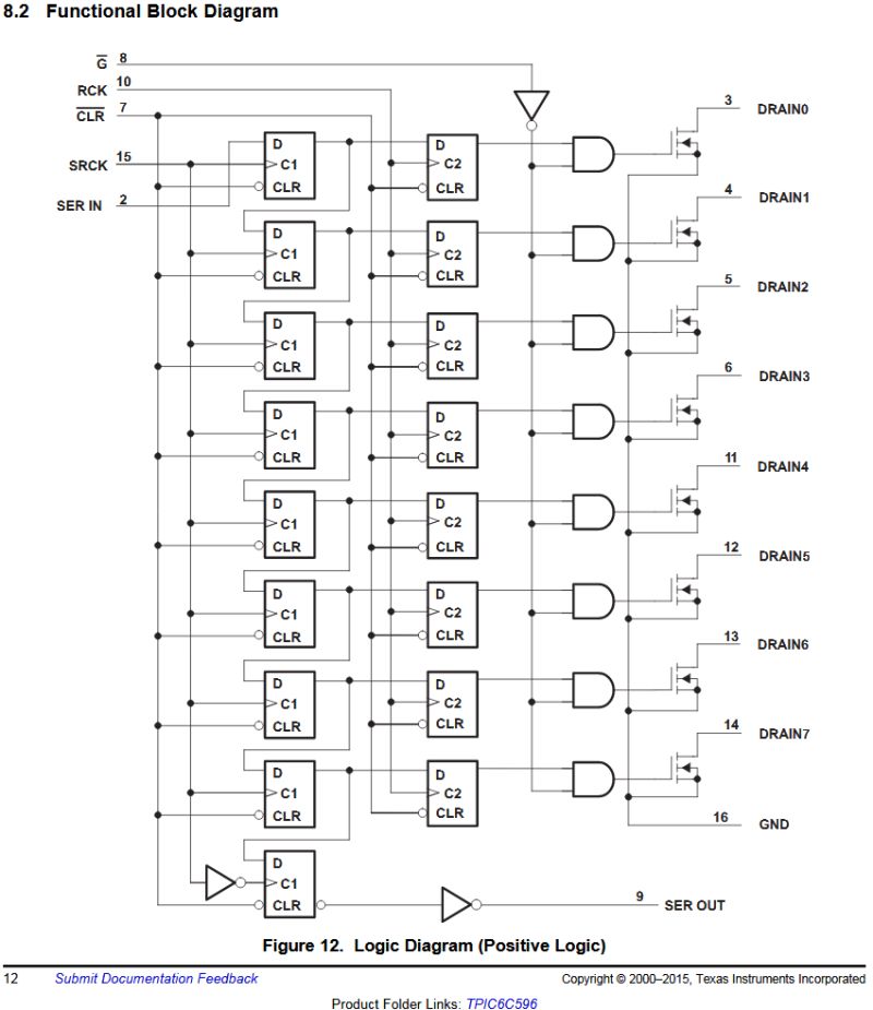
- cmos - Is a DMOS potential free? (in case of TPIC6C596) - Electrical Engineering Stack Exchange
- cmos - Is a DMOS potential free? (in case of TPIC6C596) - Electrical Engineering Stack Exchange
- Figure 3 - High voltage interfaces for CMOS/DMOS
- BJT, CMOS, DMOS and other semiconductor process technologies
- BJT, CMOS, DMOS and other semiconductor process technologies
- High Voltage CMOS/DMOS Interfaces: Design & Testing